求学问校网小编为大家整理了2021年湖北自考工程图学基础考试大纲以及部分样题,大家一起来看看吧!

考核内容与考核目标
第一章 工程制图基本知识
一、学习目的与要求
掌握工程制图的基本规定及图样中尺寸标注的基本方法,能正确绘制一些常用的几何图形,了解手工绘图的方法和步骤。
二、考核知识点与考核目标
(一)图样中尺寸标注基本方法、几何作图
识记:尺寸标注的基本要求、基本规则及尺寸组成
理解:斜度、锥度及圆弧连接
应用:能正确进行几何作图、尺寸标注
(二)工程制图基本规定
识记:图纸幅面及格式、比例、字体、图线型式及主要用途
理解:图纸幅面大小的规定、比例的定义
应用:能运用正确的线型、比例进行几何作图,正确书写汉字、字母和数字
(三)手工绘图的方法和步骤
应用:能运用正确的手工绘图方法,采用合理的步骤绘制草图
第二章 点、直线、平面的投影
一、学习目的与要求
了解投影法的基本概念;理解并掌握点、直线、平面的投影及直线与平面、平面与平面的相对位置;理解并掌握投影变换方法并能将这些方法用于解题实践。
二、考核知识点与考核目标
(一)点、直线、平面的投影及直线与平面、平面与平面的相对位置
理解:点的投影规律,各种位置点的投影;两点的相对位置、重影点及其可见性的判别;各种位置直线的投影特性;直角三角形法求直线的实长及对投影面的倾角;直线上的点及定比定律;两直线的相对位置及投影特性;交叉两直线重影点可见性的判断;直角投影;平面的表示法;各种位置平面的投影特性;平面内的点和直线;直线与平面平行、平面与平面平行的几何条件和它们的投影特性;直线与平面相交求交点;平面与平面相交求交线
应用:用上述知识点求解相应的问题
(二)投影变换方法
理解:点的换面规律;直线换面法;平面换面法;点的旋转及投影变换规律;直线的旋转;平面的旋转
应用:换面法求直线的实长及对投影面的倾角;换面法求平面的实形、两平面的夹角;旋转法求直线的实长及对投影面的倾角;旋转法求平面的实形及对投影面的倾角
(三)投影法基本概念
识记:投影、中心投影法、平行投影法、斜投影、正投影
第三章 基本体
一、学习目的与要求
理解并掌握基本体的三面投影图;掌握基本体的定形尺寸标注;了解基本体表面的展开图
二、考核知识点与考核目标
(一)基本体的三面投影
理解:基本体的三面投影形成;基本体表面取点、取线
应用:求基本体表面上点、线的投影
(二)基本体的定形尺寸标注
应用:标注基本体的定形尺寸
(三)基本体表面的展开图
理解:平面立体的表面展开、可展曲面立体的表面展开
第四章 立体的截切与相贯
一、学习目的与要求
理解并掌握截交线、相贯线的形成、性质及其求法;能正确标注截切体和相贯体的尺寸
二、考核知识点与考核目标
(一)截交线、相贯线
理解:截交线、相贯线的形成、性质;平面与平面立体相交;平面与回转体相交;平面体与回转体相贯;回转体与回转体相贯;相贯线的特殊情况;多体相贯
应用:特殊位置平面与平面立体相交求截交线,切平面一般不超过两个;截切后平面立体的投影可见性分析;特殊位置平面与轴线为投影面垂直线的圆柱、圆锥、球表面相交求截交线,切平面一般不超三个;分析和绘制截交线上特殊点;截切后曲面立体的投影可见性分析;利用圆柱面投影积聚性和在回转体表面上取点的方法求作相贯线;用辅助平面法求相贯线;相贯线上特殊点的求法,除能确定一些极限位置点外,特别要求会确定回转体转向廓线与相贯线相切的切点。
(二)截切体和相贯体的尺寸标注
应用:正确标注截切平面的定位尺寸;正确标注相贯体间的定位尺寸
第五章 轴测图
一、学习目的与要求
了解轴测图的形成、分类和投影特性;掌握简单立体正等测图的画法;了解斜二测图的作图特点和适用范围。
二、考核知识点与考核目标
(一)正等轴测图
理解:正等轴测图的形成、轴间角和轴向伸缩系数;平面立体和曲面立体的正等轴测图
应用:绘制简单立体的正等轴测图
(二)斜二等轴测图
理解:斜二等轴测图的形成、轴间角和轴向变形系数;
应用:绘制简单立体的斜二等轴测图
(三)轴测投影图的基本知识
识记:轴测投影图的形成、轴间角与轴向伸缩系数、轴测图的投影特性、轴测投影的分类
第六章 组合体的投影
一、学习目的与要求
了解组合体的组合形式;掌握绘制和阅读组合体投影图的方法(形体分析和线面分析)和步骤;能由确切表达组合体形状的二视图画出第三视图;初步掌握尺寸基准、定形尺寸、定位尺寸和总体尺寸的涵义,所注尺寸基本上能满足正确、齐全、清晰的要求。
二、考核知识点与考核目标
(一)组合体三视图的画法与组合体视图的读图
理解:三视图的投影特性——长对正、高平齐、宽相等;画组合体视图的方法及步骤;
读图基本原则;读图基本方法——形体分析法、线面分析法
应用:正确绘制组合体的三视图;读懂较复杂组合体的三视图;二求三;补画遗漏线条
(二)组合体视图中的尺寸标注
理解:组合体尺寸标注要求;组合体尺寸分类;定位基准
应用:正确、齐全、清晰标注组合体的尺寸
(三)组合体的形成
理解:组合体的组合方式;形体邻接表面间的相对位置;形体分析
应用:正确分析组合体的组合方式;分清形体邻接表面间的相对位置
第七章 机件形体的表达方法
一、学习目的与要求
掌握视图、剖视图、断面图的画法及标注;了解局部放大图的画法及标注;了解常用简化画法及其它规定画法。了解第三角画法
二、考核知识点与考核目标
(一)视图、剖视图、断面图
理解:六个基本视图、向视图、局部视图、斜视图、剖视图的概念、剖切符号、剖面符号、剖视图的标注、剖视图的种类和应用——全剖视图、半剖视图、局部剖视图、斜剖视图、旋转剖视图、阶梯剖视图、复合剖视图;断面图、断面图的种类——移出断面图、重合断面图;
应用:机件的综合表达
(二)局部放大图;图样中的规定画法、省略画法和简化画法
理解:局部放大图、规定画法、省略画法——省略视图、省略重复投影、重复要素、重复图形等;省略剖面符号、断开画法;简化画法;示意画法和其他简化画法
应用:正确运用这些方法表达机件
(三)第三角画法
理解:第三角画法、各视图间的投影规律、第三角画法的识别符号
第八章 AutoCAD绘图基础
一、学习目的与要求
掌握AutoCAD的基本操作;掌握绘图、编辑、尺寸标注、图层、图块、剖面线、文本等命令。
能绘制较复杂的零件图。
二、考核知识点与考核目标
(一)绘图、编辑、尺寸标注
理解:各绘图、编辑命令;尺寸标注样式的设置、各尺寸标注命令
应用:绘制较复杂的二维图形
(二)图层、图块、剖面线、文本
应用:图层、图块、剖面线对话框、文字样式设置、单行文本、多行文本
(三)AutoCAD基本操作
应用:绘图环境设置——图形界限、线型比例;辅助功能——栅格、对象捕捉、正交、极轴、追踪、显示控制、图形输出
第九章 标准件和常用件
一、学习目的与要求
掌握螺纹的规定画法及螺纹种类的标注方法;了解常用螺纹紧固件的标记;掌握螺栓连接、双头螺柱连接和螺钉连接的装配画法;掌握直齿圆柱齿轮及其啮合画法;了解滚动轴承、普通圆柱螺旋压缩弹簧的基本知识和画法;掌握销、键连接画法;了解查阅有关标准的方法
二、考核知识点与考核目标
(一)螺纹及螺纹紧固件、齿轮、滚动轴承
理解:螺纹的形成、螺纹的要素、螺纹的标注;螺纹紧固件的标记;圆柱齿轮几何要素的名称和代号;滚动轴承的结构、种类;
应用:螺纹的规定画法、常用的螺纹紧固件——螺栓连接、螺钉连接、双头螺柱连接及画法;圆柱齿轮几何要素的尺寸计算;单个圆柱齿轮的画法、圆柱齿轮的啮合画法;滚动轴承的画法;AutoCAD绘制螺栓紧固件连接图
(二)键、销、圆柱螺旋压缩弹簧
理解:键的规定标记;销的规定标记;圆柱螺旋压缩弹簧各部分名称和尺寸关系
应用:键的画法、键联结的画法;销联结的画法;圆柱螺旋压缩弹簧的画法
第十章 零件图
一、学习目的与要求
了解零件图的内容及作用;掌握零件图中的尺寸标注方法;了解零件图的技术要求内容,掌握尺寸公差与配合、表面粗糙度的标注方法;掌握绘制和阅读零件图的基本方法;了解零件的测绘方法
二、考核知识点与考核目标
(一)零件图的视图选择、零件图阅读
应用:主视图的选择、视图数量的选择、表达方法的选择、典型零件的分析;读零件图的要求、读零件图的方法和步骤;AutoCAD绘制零件图
(二)零件图中的尺寸标注、零件图的技术要求
理解:尺寸基准、考虑设计要求标注尺寸的原则、考虑工艺要求标注尺寸的原则、零件上常见典型结构的尺寸注法;表面粗糙度的概念、表面粗糙度的参数、表面粗糙度的标注方法;极限与配合的基本概念、极限与配合的选用及标注
应用:正确标注零件图的尺寸及技术要求
(三)零件图的内容、零件的测绘
识记:零件图的内容——视图、尺寸、技术要求、标题栏
理解:零件的测量方法及测量工具、零件的铸造工艺结构、零件上的机械加工结构
第十一章 装配图
一、学习目的与要求
了解装配图的内容和常用表达方法;了解装配图的尺寸注法;掌握绘制和阅读装配图的方法,能由装配图中拆画出中等复杂程度的零件的零件图
二、考核知识点与考核目标
(一)装配图的绘制、读装配图及由装配图拆画零件图
应用:装配图视图的选择、由零件图画装配图、常见装配结构的合理性;读装配图的步骤和方法;由装配图拆画零件图;AutoCAD绘制装配图
(二)装配图的内容、装配图中尺寸标注、零部件序号及明细栏、装配图中的表达方法
识记:装配图的内容
应用:装配图中尺寸标注、装配零部件序号及明细栏;装配图的规定画法、特殊表达方法
有关说明与实施要求
一、考核的能力层次表述
本大纲在考核目标中,按照“识记”、“理解”、“应用”三个能力层次规定其应达到的能力层次要求。各能力层次为递进等级关系,后者必须建立在前者的基础上,其含义是:
识记:能知道有关的名词、概念、知识的含义,并能正确认识和表述,是低层次的要求。
理解:在识记的基础上,能全面把握基本概念、基本原理、基本方法,能掌握有关概念、原理、方法的区别与联系,是较高层次的要求。
应用:在理解的基础上,能运用基本概念、基本原理、基本方法联系学过的多个知识点分析和解决有关的理论问题和实际问题,是最高层次的要求。
二、教材
指定教材
《机械工程图学》,武汉大学出版社,胡建国、李亚萍、汪鸣琦主编,2008年版
《机械工程图学习题集》,武汉大学出版社,胡建国、李亚萍、汪鸣琦主编,2004年版
三、自学方法指导
1、认真阅读和钻研教材
自学者应根据本大纲规定,认真阅读指定教材,阅读中要结合图例一边阅读课文,一边对照图例,一边进行空间思维和空间想象。务必要注重理解掌握基本理论和基本方法,逐步培养空间想象力,切忌死记硬背。在课程的自学过程中要紧紧抓住重点。着重掌握正投影法的基本理论和绘制、阅读机械图样的基本方法。
2、及时完成作业练习
自学者在阅读完教材的某一章节后,应及时独立地完成作业练习。因为作业和画图是帮助理解、消化、巩固和掌握所学知识,培养分析问题和解决问题能力的重要环节。只有通过独立完成一系列作业练习,才能掌握所学内容。
3、尽量接触生产实际、增加生产实践知识
机械图部分与生产实践有密切关系,自学者在学习这部分内容时,尽可能参观了解零件的生产和加工过程,增加生产实践知识,加深对零件工艺结构的理解,提高画图和读图能力。
4、正确使用绘图工具和仪器,提高绘图技能
正确使用绘图工具和仪器,是提高绘图速度和绘图质量的重要保证,也是本课程所要求的一项基本技能。绘图技能的掌握和提高,只有通过严格的练习,才能使所绘制的仪器图符合国家标准,真正做到投影正确、作图准确、图线分明、字体工整、尺寸齐全、图面整洁。
5、增强国标意识,掌握和遵守机械制图国家标准
机械图样是表达和交流技术思想的重要工具,被喻为“工程界的语言”,机械制图国家标准对统一“工程界的语言”起着重要作用,绘图时必需严格遵守,增强国标意识,养成查阅掌握和遵守国家标准的习惯。
6、耐心细致,一丝不苟
机械图样是工业生产的重要技术文件,它直接应用于生产。因此,所绘图样应当正确、表达清楚、尺寸齐全、不允许有半点马虎。自学者在做练习时要耐心、细致、一丝不苟、全面检查。
四、对社会助学的要求
1、应熟知考试大纲对课程提出的总要求和各章的知识点。
2、应掌握各知识点要求达到的能力层次,并深刻理解对各知识点的考核目标。
3、辅导时,应以考试大纲为依据,指定的教材为基础,不要随意增删内容,以免与大纲脱节。
4、辅导时,应对学习方法进行指导,宜提倡"认真阅读教材,刻苦钻研教材,主动争取帮助,依靠自己学通"的方法。
5、辅导时,要注意讲清基本理论和基本方法,重视其应用举例的示范作用,注重应用能力的培养。
6、辅导时,要注意形象化教学。自学者对机械制图自学的最大困难,一是缺乏空间想象力,投影与空间的对应关系难以建立;二是缺乏实践知识,对实际零件的结构与加工不了解,对零件图的视图选择和尺寸标注难以掌握。因此,要尽量利用实物教学,帮助自学者增强空间想象力和理解能力。
7、辅导时,要注意突出重点,对考生提出的问题,不要有问即答,要积极启发引导。
8、注意对应考者能力的培养,特别是自学能力的培养,要引导考生逐步学会独立学习,在自学过程中善于提出问题,分析问题,做出判断,解决问题。
9、要使考生了解试题的难易与能力层次高低两者不完全是一回事,在各个能力层次中会存在着不同难度的试题。
10、助学学时:本课程共7学分,建议总课时126学时,其中助学课时分配如下:
五、关于命题考试的若干规定
1、本大纲各章所提到的内容和考核目标都是考试内容。试题覆盖到章,适当突出重点。
2、试卷中对不同能力层次的试题比例大致是:"识记"为20%、"理解"为30%、"应用"为50%。
3、试题难易程度应合理:易、较易、较难、难比例为2:3:3:2。
4、每份试卷中,各类考核点所占比例约为:重点占65%,次重点占25%,一般占10%。
5、试题类型一般分为:填空题、选择题、作图题、读图回答问题等题型。
6、考试采用闭卷笔试,考试时间150分钟,采用百分制评分,60分合格。
六、题型示例
(一)选择题
1.直线AB和CD垂直,其投影图为( )。
(二)填空题
1.在圆锥表面取点可以采用 法和 法。


4.补画图中所缺的图线。

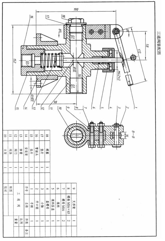
(四)、读装配图,完成下列问题
1.填空
(1)本装配体主视图是 图。
(2)规格尺寸是 ,安装尺寸是 。
(3)M42×3表示 牙 螺纹,42表示 ,3表示 。
(4)件9和件10是用件 连接在一起的。
2.简述该装配体的拆卸顺序
3.拆绘“16号”件的零件图并标注尺寸(绘图比例及表达方案自定,尺寸按1:1从装配图上量取并精确到mm)

以上就是小编为大家整理的2021年湖北自考工程图学基础考试大纲以及部分样题,大家要根据考试大纲好好复习,祝大家有个好成绩。
编辑推荐:







